不(bu)銹(xiu)鋼混合酸化學(xue)腐蝕加工工藝流程如下:
一、工(gong)藝流程(cheng)
香蕉視頻app蘋果:304不銹鋼基體 → 化學除油①→ 熱水洗 → 冷水洗 → 浸蝕② → 水洗 → 水洗 → 晾干 → 絲網印刷③ → 固化④ → 腐蝕加工⑤ → 水洗 → 脫膠⑥ → 烘干 → 成品檢驗入庫。
網框準備:采用鋁合金框及合成纖維絲網,按印料的黏度選用適當目數(150目)的絲網 → 涂感光膠⑦ → 干燥 → 將底片覆蓋在感光膠上曝光 → 顯影⑧ → 水洗 → 干燥 → 制成合格絲網板待絲印用。采用絲網印刷,可提高工作效率和細小線條有較好的分辨率。
注:各道工序(xu)的溶液成分及(ji)操作要點(dian)如下:


二(er)、混合酸腐(fu)蝕加工(gong)的工(gong)藝參數對腐(fu)蝕速率及(ji)表面(mian)狀況的影響
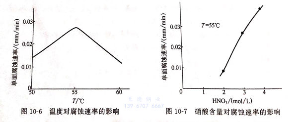
1. 溫度(du)的影(ying)響(xiang)
不同溫(wen)(wen)(wen)度對(dui)腐蝕速率(lv)的影(ying)響見(jian)圖(tu)(tu)10-6。由圖(tu)(tu)10-6可(ke)見(jian),在溫(wen)(wen)(wen)度55℃左右,腐蝕速率(lv)達(da)到最高(gao)(0.027mm/min),溫(wen)(wen)(wen)度再(zai)升高(gao),速率(lv)反(fan)而下降(jiang),溫(wen)(wen)(wen)度低于50℃時(shi),表面狀況較(jiao)差。

2. 硝酸含量的影響
其他組分(fen)不變(bian),硝(xiao)(xiao)酸(suan)含量對腐蝕(shi)速(su)率的影響見圖10-7,腐蝕(shi)速(su)率隨硝(xiao)(xiao)酸(suan)含量的升(sheng)高而增高。濃(nong)度(du)為(wei)3mol/L(相當于189g/L)時,表(biao)面狀(zhuang)況(kuang)良(liang)好,濃(nong)度(du)為(wei)4mol/L(相當于252g/L)時,表(biao)面粗(cu)糙。
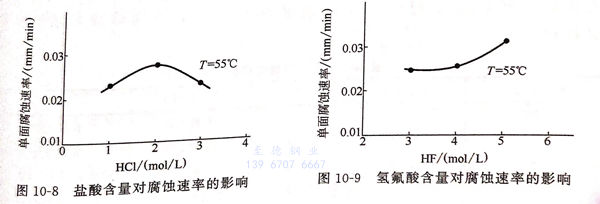
3. 鹽酸含量的影響(xiang)
其他組分不(bu)變,鹽度含量對腐(fu)蝕速(su)率的影響見圖10-8。由圖10-8可見,鹽酸(suan)濃度為2mol/L(相(xiang)當于192g/L)時,腐(fu)蝕速(su)率最大,可達到0.027mm/min。

4. 氫氟酸含量(liang)的影響
其他(ta)組(zu)分(fen)不變,氫氟酸含(han)量(liang)對腐(fu)蝕速率(lv)的影響(xiang)見(jian)圖(tu)10-9,由(you)圖(tu)10-9可見(jian),氫氟酸濃度為4mol/L(相當(dang)于200g/L)時,腐(fu)蝕速率(lv)為0.025mm/min.經腐(fu)蝕4~10min,表(biao)面加工深度可達0.1~0.25mm。
5. 乙酸含(han)量的影響
乙(yi)酸對(dui)腐蝕速率(lv)沒(mei)有影響(xiang)。少(shao)量的添加可(ke)以(yi)提高表面加工(gong)的表面光潔度(du),還可(ke)以(yi)防止氫氟酸揮發,減少(shao)污染(ran)。

